Will P90 Soapbars fit in a Les Paul Deluxe routed for Mini-humbuckers?

Yes, If your Les Paul Deluxe was originally routed for adjustable coil mini-humbuckers with a mounting ring, you can usually install P90 Soapbars, as the mounting ring is the same outer dimension as a P90 Soapbar.

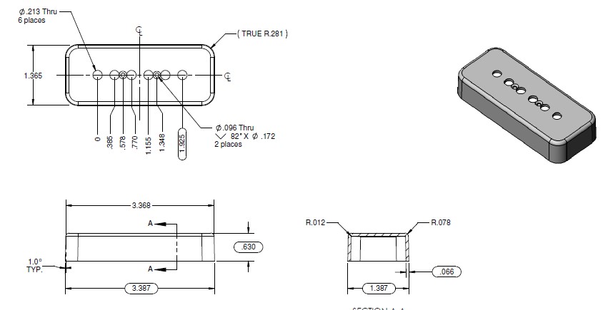
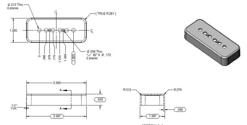
If there is any doubt as to whether P90 Soapbars will fit in your Les Paul Deluxe, we recommend checking the diagram below.

You may need to remove the original mini-humbucker mounting bracket at the bottom of the pickup cavity, or drill holes for the mouting screws for the P90, depending on how your mini-humbuckers were mounted.

P90 neck cover.jpg

Was this article helpful?
0 out of 0 found this helpful
Have more questions? Submit a request